店舗受取OK
ショウレックススリ車 18mm <即日発送可>
価格:
22円
(税込)
注文
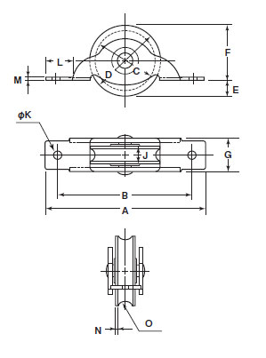
【 車 形状 】:
選択してください
丸
平
購入数:
個
在庫
あり
お気に入りに追加済
販売期間:
商品説明
▼ 商品説明の続きを見る ▼
価格:22円(税込)
定価(税l込):オープン価格
カートへ
▲