新たにニュースターから待望の取替用クローザーが発売されました。
その取付方法はプロの業者さんから とても人気だった美和ロックの方式です。
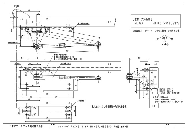
枠側の穴位置の調整や、三つ穴からの穴開け加工が必要ありません。
多孔式なので合う場所を使うだけで あとは隠しシールを貼るだけです。
またストップ機能を外せば、ストップなしにも対応できます
ドアクローザーがついている方向と反対側に開くタイプがパラレルタイプです
左右は兼用です
適用ドア: 900X2000以下 45Kg以下
<< ドアクローザのご注文前に >>
販売しているドアクローザの商品は、ほとんどが左右勝手兼用になっています。












